Float steam traps ASTA PM221 and PM223 DN25

DN: 25
PN: 25 bar
t max°: 250 °С
Body material: ductile iron
Connection: threaded, flanged

Overview

ASTA PM THERMOKON is a mechanical float steam trap designed for efficient condensate drainage from steam lines.
The operating principle is based on the difference in density between steam and condensate. When the housing is filled with condensate, the hollow float floats up and opens the outlet valve. Non-condensable gases are discharged through a thermostatic air vent built into the upper part of the housing. It is mainly used for drainage of steam pipelines, heat exchange equipment, steam registers, heaters, autoclaves, cooking kettles, drying cylinders, etc.


Model overview

Those. information

Advantages

  • High flow capacity
  • Built-in thermostatic air vent
  • Wide range of operating pressures and temperatures
  • Anti-corrosion treatment of the inner surface of the housing
  • Continuous condensate drainage
  • Erosion deflector
  • Possibility of repairing the condensate drain without dismantling it from the pipeline

Options

  • ASTA KDA — valve for automatic removal of condensate from the float chamber
  • ASTA BIK — bypass needle valve for releasing steam locks
  • ASTA PV — valve to prevent the formation of a vacuum
  • Various materials for the housing (carbon / stainless steel)
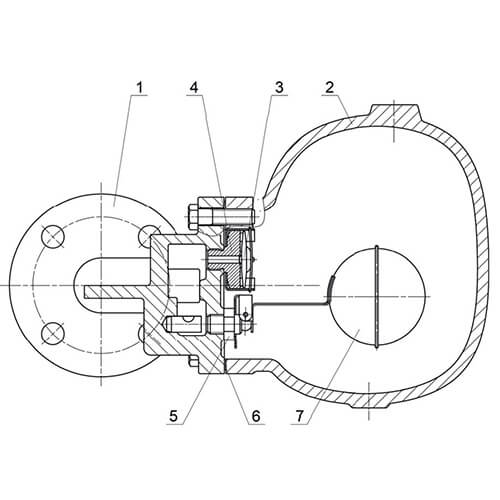
Design

Конструкция


NameMaterial
1BodyHigh-strength cast iron VCh40
2CoverHigh-strength cast iron VCh40
3CapsuleStainless steel 08X18N10
4Air vent seatStainless steel 20Х13
5Steam trap seatStainless steel 20Х13
6FloatStainless steel 08Х18Н10
7Body gasketGraphite

Download

Colors

DOP

More in this category:

Need a consultation?

We will tell you in detail about our services, types of work and typical projects, calculate the cost and prepare an individual offer!