Термостатические конденсатоотводчики для стерильных сред АСТА КТ451 и КТ455

Термостатические конденсатоотводчики для стерильных сред АСТА КТ451 и КТ455

DN: 15–25
PN: 16 бар
t max°: 177 °С
Материал корпуса: нержавеющая сталь
Присоединение: резьбовое, tri-clamp

Термостатические конденсатоотводчики для стерильных сред АСТА КТ451 и КТ455

Обзор

АСТА КТ ТЕРМОКОН — термостатический капсульный конденсатоотводчик, предназначенный для эффективного отвода конденсата из паровых линий.
Принцип действия основан на разности температур пара и конденсата. Изменение температуры приводит к вскипанию/конденсации жидкости внутри капсулы, соединенной с выпускным клапаном, что позволяет отводить неконденсируемые газы и конденсат ниже температуры насыщения.
Преимущественно применяется в системах, работающих со стерильным паром.

Преимущества

  • Электрополировка поверхностей Ra 0,8 мкм
  • Отвод доохлажденного конденсата
  • Устойчивость к гидроударам
  • Отвод воздуха
  • Встроенный фильтр

Обзор моделей

Тех. информация

Номинальный диаметр DN 15 – 25
Условное давление PN 16 бар
Максимальная температура рабочей среды Tmax До 177 °С
Рабочая среда Стерильный водяной пар
Расположение на трубопроводе Вертикально
Тип присоединения КТ455 — Tri-Clamp ASME BPE
КТ451 — Внутренняя резьба BSP или NPT
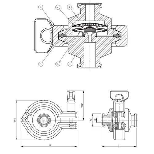
Наименование Материал
1 Крышка Нержавеющая сталь AISI 316L
2 Корпус Нержавеющая сталь AISI 316L
3 Капсула Нержавеющая сталь AISI 304
4 Фильтр Нержавеющая сталь AISI 304
5 Уплотнение корпуса PTFE
6 Хомут Нержавеющая сталь CF8M

Скачать

Цвета

DOP, CAD

Еще в этой категории:

Нужна консультация?

Подробно расскажем о наших услугах, видах работ и типовых проектах, рассчитаем стоимость и подготовим индивидуальное предложение!