Шкафы с частотным регулированием

Шкафы с частотным регулированием
Частотные шкафы управления: точное регулирование скорости двигателей, снижение энергозатрат, защита от перегрузок

Обзор

Шкафы частотного управления электродвигателями: принципы работы и преимущества

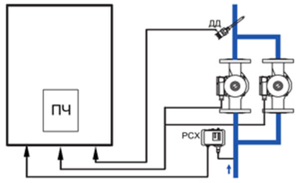
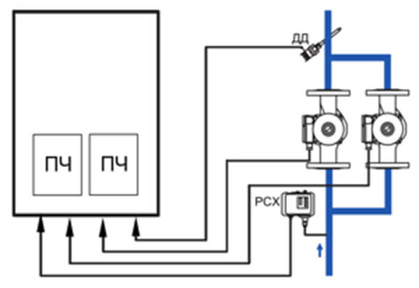
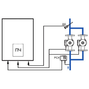
Шкафы частотного регулирования представляют собой специализированные устройства для эффективного контроля асинхронных электродвигателей одного типоразмера. Управление осуществляется на основе поступающих команд, что обеспечивает точную настройку режимов работы.

Базовые возможности
Стандартная серия шкафов позволяет организовать управление от одного до шести электродвигателей в единой системе. Такое решение особенно востребовано в инженерных системах:

  • водоснабжения;
  • вентиляции и кондиционирования.

Особенности применения с высокоинерционными механизмами
При работе с оборудованием повышенной инерционности (дымососами, вентиляторами, воздуходувками) рекомендуется оснащать шкафы тормозным резистором. Этот компонент необходим для корректной работы частотного преобразователя и предотвращения перегрузок.

Ключевые преимущества частотного регулирования в насосных системах
Использование шкафов с частотным управлением даёт ряд существенных эксплуатационных преимуществ:

  • снижение энергопотребления за счёт оптимизации режимов работы;
  • гибкость управления — плавная регулировка без ступенчатых переходов;
  • точность поддержания параметров системы в заданных пределах;
  • синхронизация работы — все эксплуатируемые насосы поддерживают одинаковую частоту вращения (при наличии индивидуальных преобразователей);
  • упрощение схемы — исключение механических контакторов переключения;
  • щадящий режим — плавный пуск и остановка каждого двигателя во всех рабочих режимах;
  • отказоустойчивость — сохранение функции регулирования при выходе из строя одного из преобразователей.

Оптимизация ресурса оборудования
Для равномерного распределения нагрузки между насосами реализована интеллектуальная система чередования:

  • в работу первым включается насос с минимальной наработкой;
  • отключается первым насос с максимальной наработкой.

Резервирование и автоматизация
В шкафах для двух и более насосов предусмотрена гибкая настройка конфигурации:

  • определение количества рабочих и резервных агрегатов;
  • автоматическое переключение на резервные насосы при неисправности основных.

Такое решение обеспечивает бесперебойность работы системы и продлевает срок службы оборудования за счёт равномерного распределения эксплуатационной нагрузки.

Обзор моделей

Тех. информация

Опции диспетчеризации

  1. Опция диспетчеризации "Работа" на 1 электродвигатель (перекидной контакт на клеммной колодке).
  2. Опция диспетчеризации режима работы шкафа «Автоматический» (перекидной контакт на клеммной колодке).
  3. Опция диспетчеризации "Сухой ход" (перекидной контакт на клеммной колодке).
  4. Опция диспетчеризации "Авария преобразователя частоты" (перекидной контакт на клеммной колодке).

Опции передачи данных по протоколам

  1. Опция передачи данных по протоколу Modbus RTU (RS-485).
  2. Опция передачи данных по протоколу Modbus TCP/IP (Ethernet).

Опции для шкафов с преобразователями частоты

  1. Опция подключения выходного дросселя для преобразователя частоты
  2. Опция подключения тормозного резистора для преобразователя частоты
  3. Опция подключения 2-х аналоговых датчиков 4...20 мА (поддержание перепада)
  4. Опция подключения реле давления для работы насосов при аварии преобразователя частоты
  5. Опция «Задание» (потенциометр на двери шкафа)
  6. Опция функции «День-Ночь».

Для случая двухуровневого задания «День-Ночь» предоставляется возможность задать уровень давления, который будет поддерживаться в дневные часы, и уровень давления – в ночные. В этом случае логический модуль будет автоматически использовать то задание, которое должно быть в данный момент времени, в зависимости от показаний часов реального времени и настройки опции «День-Ночь» (подробнее про настройку блока см. руководство).

Уровень поддерживаемого давления определяется в логическом модуле и может быть установлен фиксированным (два уровня «День-Ночь»), либо при установке блока внешнего задания – меняться в зависимости от сигнала внешнего задания.

Опции установки дополнительного оборудования на лицевую панель шкафа

  1. Опция установки выносного пульта преобразователя частоты
  2. Опция установки вольтметра на 1 ввод
  3. Опция установки счетчика моточасов на 1 электродвигатель

Опции климатического исполнения шкафа

  1. Опция климатического исполнения УХЛ1.
    Условия эксплуатации шкафа: от -60˚С до +40˚С на открытом воздухе.
  2. Опция климатического исполнения УХЛ2.
    Условия эксплуатации шкафа: от -60˚С до +40˚С под навесом (Без прямого воздействия солнечных лучей и осадков) или в не отапливаемом помещении.

Опции внешних подключений для управления шкафом/двигателем

  1. Опция подключения дистанционного пуска/останова шкафа в режиме «автоматический».
  2. Опция подключения ключа безопасности на 1 электродвигатель

Опции защиты

  1. Опция защиты от повышенного/пониженного напряжения на один ввод.
  2. Опция подключения датчика РТС на 1 электродвигатель.
  3. Опция подключения датчика Рt100 или Pt1000 на 1 электродвигатель.
  4. Опция подключения реле перепада давления на 1 насос.
  5. Опция защиты от «сухого хода» на 1 электродвигатель.

Скачать

Цвета

DOP, CAD

Еще в этой категории:

Нужна консультация?

Подробно расскажем о наших услугах, видах работ и типовых проектах, рассчитаем стоимость и подготовим индивидуальное предложение!