Регулятор давления «после себя» АСТА серии Д541

Регулятор давления «после себя» АСТА серии Д541

DN: ½” – 1”
PN: 16 бар
t max°: 204 °С
Материал корпуса: нержавеющая сталь
Присоединение: Резьба Rc

Регулятор давления «после себя» АСТА серии Д541

Обзор

АСТА Д541 — редукционный клапан прямого действия, предназначен для автоматического поддержания заданного выходного давления рабочей среды. Принцип действия основан на уравновешивании силы упругой деформации настроечной пружины и силы, создаваемой разностью давлений на сильфонном приводе.
Преимущественно используются в системах с невысокими требованиями к точности поддержания давления и относительно постоянным расходом пара, таких как варочные котлы, стерилизаторы, паровые прессы и др.

Особенности конструкции

  • Компактные размеры
  • Высокотемпературный сильфонный привод
  • Ручной маховик на крышке корпуса
  • Встроенный фильтр

Обзор моделей

Тех. информация

Номинальный диаметр DN ½” – 1”
Условное давление PN 16 бар
Максимальная температура рабочей среды 204 °С
Рабочая среда Пар, воздух, а также другие газообразные среды, совместимые с материалами конструкции клапана
Пропускная способность клапана, Kvs 1,0 – 2,8 м3/ч
Диапазон давления настройки 1,0 – 6,0 бар
Минимальный перепад давления 0,5 бар
Макс отношение давления Рвх/Рвых 10:1
Компенсация давления Неразгруженный по давлению
Отбор импульса рабочей среды Внутренний
Тип присоединения Резьба Rc
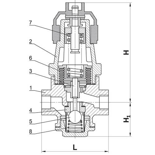
Наименование Материал
1 Корпус Нержавеющая сталь Cr18Ni9Ti
2 Крышка Нержавеющая сталь Cr18Ni9Ti
3 Шток Нержавеющая сталь CF8
4 Седло Нержавеющая сталь CF8
5 Плунжер Нержавеющая сталь CF8
6 Сильфон Нержавеющая сталь Cr18Ni9Ti
7 Настроечная пружина Сталь 50CrVA
8 Возвратная пружина Сталь 60Si2Mn

Скачать

Цвета

DOP, CAD

Еще в этой категории:

Нужна консультация?

Подробно расскажем о наших услугах, видах работ и типовых проектах, рассчитаем стоимость и подготовим индивидуальное предложение!